Package Include
Hitachi ZX470LC-5G Workshop Manual and Diagrams
Language
English
Format
PDF
Total Number of pages
1-890
Publication Number
WJAC91-EN-00 [2013.04]
TTJAC91
Compatible
All windows and mac systems
Additional Requirement
User needs to Install PDF Reader Software
Shipping Policy
Download link by high speed web server Total Download size 39 mb
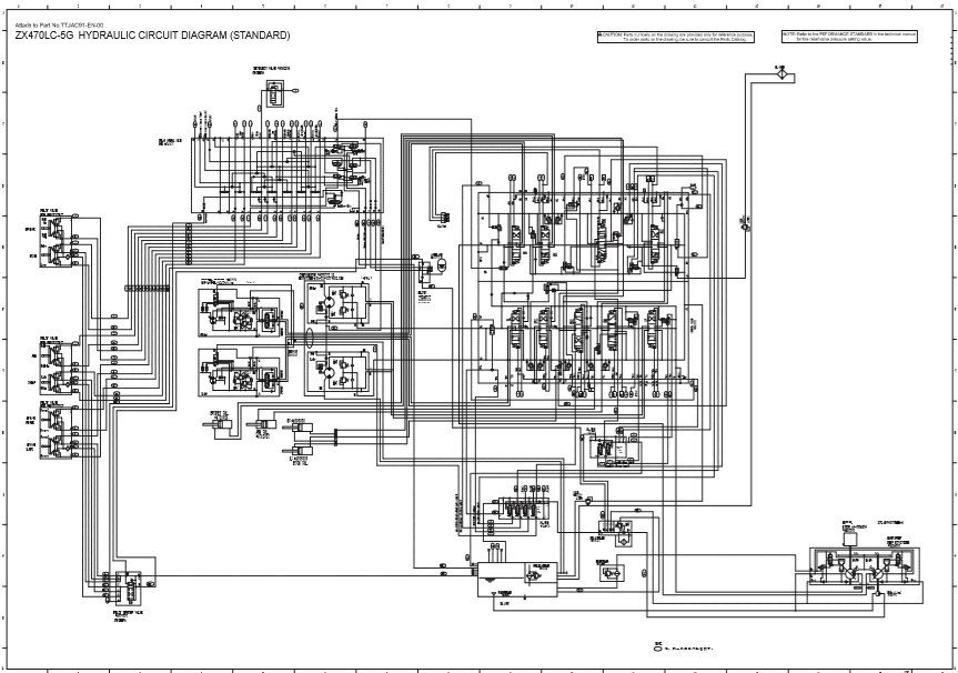
With This Original Factory Workshop Manual and Diagrams The Technician can Find and Solve any problems encountered in the operation of your Hitachi Excavator Models of :
ZX470LC-5G











Be the first to review “Hitachi ZX470LC-5G Workshop Manual and Diagrams”