Product Code HTE 0241 [ After payment, this Code helps to receive correct download password to your Account Dashboard ]
Package Include
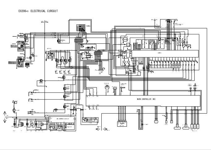
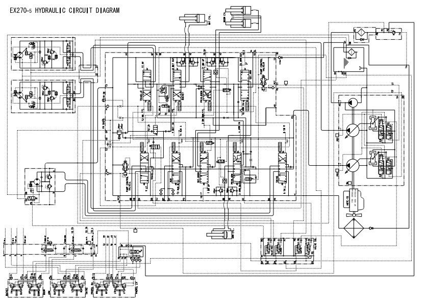
Hitachi EX200-5, EX200LC-5, EX220-5, EX220LC-5, EX230LC-5, EX270-5, EX270LC-5 Diagrams
Language
English
Format
PDF
Total Number of pages
1-15
Compatible
All windows and mac systems
Additional Requirement
User needs to Install PDF Reader Software
Shipping Policy
Download link by high speed web server Total Download size 7 mb









