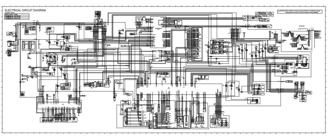
Hitachi ZX190W-5A Workshop Manual and Diagrams
$9.99
Hitachi ZX190W-5A Workshop Manual and Diagrams
With This Original Factory Workshop Manual and Diagrams The Technician can Find and Solve any problems encountered in the operation of your Hitachi Excavator Models of :
ZX190W-5A
Number of Items Sold : 1











































