Keep in touch with our customer service representatives.

$9.99
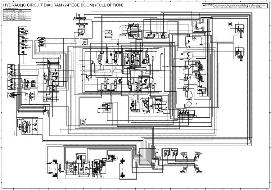
Hitachi ZX190W-6 Workshop Manual and Diagrams
With This Original Factory Workshop Manual and Diagrams The Technician can Find and Solve any problems encountered in the operation of your Hitachi Excavator Models of :
ZX190W-6






