Product Code HTE 0177 [ After payment, this Code helps to receive correct download password to your Account Dashboard ]
Package Include
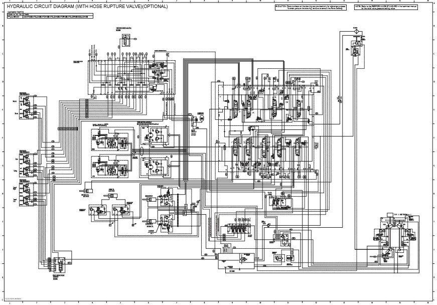
Hitachi ZX470-5B Series Workshop Manual and Diagrams
Language
English
Format
PDF
Total Number of pages
1-727
Publication Number
WJAA-EN-01 [2015.04]
Compatible
All windows and mac systems
Additional Requirement
User needs to Install PDF Reader Software
Shipping Policy
Download link by high speed web server Total Download size 72 mb










