Product Code JC 0105 [ After payment, this Code Helps to receive correct download password to your Account Dashboard ]
Package Include
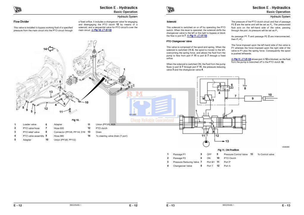
JCB Tractor 354 and 360 Service Repair Manual
Language
English
Format
PDF
Total Number of pages
1-389
Publication Number
9803-9480
Compatible
All windows and mac systems
Additional Requirement
User needs to Install PDF Reader Software
Shipping Policy
Download link by high speed web server Total Download size 28 mb










